| XLR125Rのヘッドライトリレーの改良 (2008年8月2日) スイッチング素子として2SK3140を使いましたが、このFETのゲートの耐圧は20Vしか ありません。バッテリーからスイッチを介して直接ゲートに入力するのはスパイクノイズが 乗るかもしれないので、危険のような気がします。 そこで少し分圧して電圧を下げ、保護素子(バリスタ)を挿入することにします。 また、負荷であるヘッドライトバルブの冷間時の直流抵抗は0.34Ωでした。 14Vの電圧を加えると一瞬ですが40A以上も突入電流が流れることがわかりました。 バルブのフィラメントに優しくするためにソフトスタートするように考えました。 |
|
![]() |
|
| 2SK3140のデータシートのゲート電圧とドレイン電流の関係を示すグラフです。 これではわかりにくいので25℃のラインで必要なところを拡大したのが これ↓ |
|
![]() |
|
| ドレイン電流が流れ始めるのはゲート電圧が2.3Vの時。 ドレイン電流が5Aになるのは、2.6Vの時。 ドレイン電流が20Aになるのは2.8Vの時。 単純にONするだけだと40Aほど流れますので この2.3V〜2.8Vの区間を少し長めに変化させれば 20A以下に制限できそうです。 |
|
![]() |
|
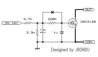
| 4.7kΩと3.3kΩで分圧します。これでFETのゲートには 6V弱しかかからなくなります。 また、バリスタを入れました。 動作電圧=7.5V バリスタ電圧(1mA)=12V トリップ電圧(5A)=20V という規格です。 220kΩと1μFで時定数をつくります。 OFF時には速やかにゲート電位が下がるように ダイオードで220kΩをスルーし、3.3kΩを介して GNDに放電します。 うまくいくかにゃ〜 |
|
![]() |
|
| 上の回路をシミュレートしてみました。 ゲート電位の立ち上がりが緩やかになっています。 |
|
![]() |
|
| 立ち上がりの2.3V、2.6V、2.8Vの辺りを拡大してみました。 2.3V→2.6V に20ms、 2.6V→2.8V に18ms程度かかります。 これで効果があるでしょうか。 作ってみて実測しないとわからないです。 |
|
![]() |
|
| ランプの冷間時の直流抵抗が0.34Ωなので これより充分低い抵抗をランプに直列にして、 その両端の電圧をオシロスコープで読むことに します。 「充分に」低いかどうかはわかりませんが、手持ちの 抵抗0.22Ωを11本並列にして0.02Ωの抵抗でやって みます。 もし40A流れれば、0.8Vの電圧が観測されるはずです。 定格5Aならば0.1Vです。このぐらいの電圧ならば オシロでも観測し易いです。 |
|
![]() |
|
| これが時定数無し場合のH4バルブへ流れる電流波形です。 0.02Ωの抵抗を直列に入れ、その抵抗の両端の電圧を測っています。 ピークで1Vですから、50Aですね! 定格の10倍も流れています。 |
|
![]() |
|
| FETのゲート信号を作るために、ブレッドボードにRS-FF回路を組みました。 チャタリング防止です。 CMOSの4011(NAND)を使いました。12Vでも動作するのでこういう時に便利です。 |
|
![]() |
|
| こんな感じ。 H4バルブを点灯させる電源は新品の充電したての 14Ahの鉛バッテリーを使いました。 バッテリーの端子電圧は13.0Vでした。 |
|
![]() |
|
| ゲート電圧を観測しました。思った通り、緩やかに ゲート電圧が上昇しています。 |
|
![]() |
|
| これが、OFF時のゲート電圧。 速やかに下降しています。 |
|
![]() |
|
| さて、これで点灯してみます。 これが電流波形。 あらら、思いっきり寄生振動が発生してます。 壊れる〜 |
|
![]() |
|
| ゲートにフェライトビーズを入れてみましたが効果なし。 47Ωの抵抗を直列に入れたところ、寄生振動が無くなりました。 あ〜、良かった。 ピークで0.3Vですから、ピーク電流は15Aに減少しました。 最初は50Aも流れてましたから突入電流は1/3以下になりました。 これでいいことにしましょうか。 回路は決まりました。また基板を作ることにします。→続きを見る |
|