| DR650SE ヘッドライトをFETリレーに(車検整備) (2014年9月14日) 車検が7月に切れて放置していたDR650SEですが、 秋めいてきましたので、そろそろ車検を取ろうと思います。 まず、、、 DR-Z400Sの改造後、DR650SEにもFETリレーを取り付けようと 思いました。まずは現状の電圧を測定しました。
やはり2V以上の電圧降下が見られました。 DR-Z400はセルモータのボタンを押している間中、ヘッドライトは 全消灯するようになっています。エンジンがかかってボタンを離すと ヘッドライトが点灯します。FETリレーは、ヘッドライトへの通電状態が 変化したことをソフトウェアが感知すると、ヘッドライトONするようにしました。 こうしておくと、キーONした時はヘッドライトが消灯したままで、セルモータ ボタンを押して離すとヘッドライトが点灯します。→ここ DR650SEにはそのような機能はありません。しかし、キーONしただけでは ヘッドライトは消灯のままで、その後、エンジンがかかった後にヘッドライトを 点灯させたいのです。セルモータが回っている時はバッテリーのエネルギーを セルモータのみに集中させたいからです。 そこで何とか 『エンジンがかかった』 ということを検知する方法はないかと 考えた末、エンジンがかかったら、バッテリーからの電源ラインに オルタネータのノイズが乗ることを検知しようと思いました。 |
||||||||
![]() |
||||||||
| こんな回路でうまく検知できます。 エンジンがかかると、パルスが観測できますのでこれを以て エンジンがかかったことを検知できます。 DR-Z400用に作ったFETリレー基板を改造し、ソフトウェアも 入れ替えました。 機能として 1.メインキーONではヘッドライトは消灯のまま。 2.エンジンがかかったらヘッドライトが点灯する。 3.Hi/Lo切り替えると(エンジンはかかっていなくても)ヘッドライトは点灯する。 |
||||||||
![]() |
||||||||
| うまくいけそうだったので早速DR650に実装します。 バッテリーから直接電源線を引っ張ります。 |
||||||||
![]() |
||||||||
| バッテリー端子の電圧。13.69Vです。 |
||||||||
![]() |
||||||||
| こちらはヘッドライトの端子のところの電圧です。13.34Vです。Highビーム時です。 0.35Vの電圧降下ですので、まあまあでしょう。改造前は2.3Vの電圧降下でした。 |
||||||||
![]() |
||||||||
| こんな感じです。ヘッドライトは真下を向いていますが、、、 |
||||||||
![]() |
||||||||
| 拡大写真。 |
||||||||
![]() |
||||||||
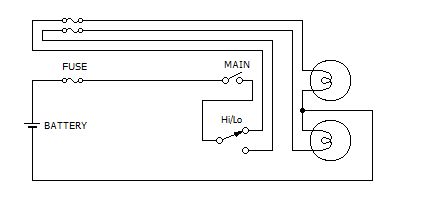
| 元の回路。 こう書くと単純そうですが、、、 |
||||||||
![]() |
||||||||
| 実際はこんな感じ。 ハンドル付近にスイッチが2ヶ所、 シートの下にバッテリとヒューズ3個があるので 配線が長く引き回されています。 |
||||||||
![]() |
||||||||
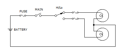
| これが改造後。 回路図とほぼ同じ最短の引き回しで 極めてシンプルです。 ランプのON/OFFはマイナス側で行っています。 N-ch Power MOS FETはこの方が都合が良いからです。 |
||||||||
![]() |
||||||||
| 次にナックルガードを取り付けます。 ノーマルではオープンタイプが付いていますが、もっとしっかりしたものに 換えます。レバーの先端部がナックルガードに当たるのでレバーの先端を 切断します。 |
||||||||
![]() |
||||||||
| こうやって、、、 |
||||||||
![]() |
||||||||
| えい!っと切ってしまいました。 |
||||||||
![]() |
||||||||
![]() |
||||||||
| この後、グラインダで切った部分を滑らかに削っておきました。 |
||||||||
![]() |
||||||||
| 完成。 |
||||||||
![]() |
||||||||
| アルミニウムの芯入りのナックルガードです。 うまく取り付けられました。 |
||||||||
![]() |
||||||||
| フロントブレーキキャリパです。だいぶ汚くなってますね〜 |
||||||||
![]() |
||||||||
| 分割して綺麗にしました。 |
||||||||
![]() |
||||||||
| ブレーキ液。だいぶ濃い色になってます。 交換しました(写真を撮らずにフタを閉めてしまいました)。 |
||||||||
![]() |
||||||||
| 夜になって光軸調整しました。 ずっと向こうの緑のフェンスまで照らしています。 電装関係(ウィンカー・ストップランプ・テールランプ・ナンバー灯・ホーン)も チェックしたところ正常でした。 これで車検に挑みます。 →こちら |
||||||||